特 点
• 扭矩: 2Nm、5Nm、10Nm
• 额定电压: AC/DC 24V和AC 230V
• 控制方式: 2点、3点开关型;0(2)-10V或0(4)-20mA模拟型
订货代码

S8081-02/05技术参数

S8081-02/05规格尺寸

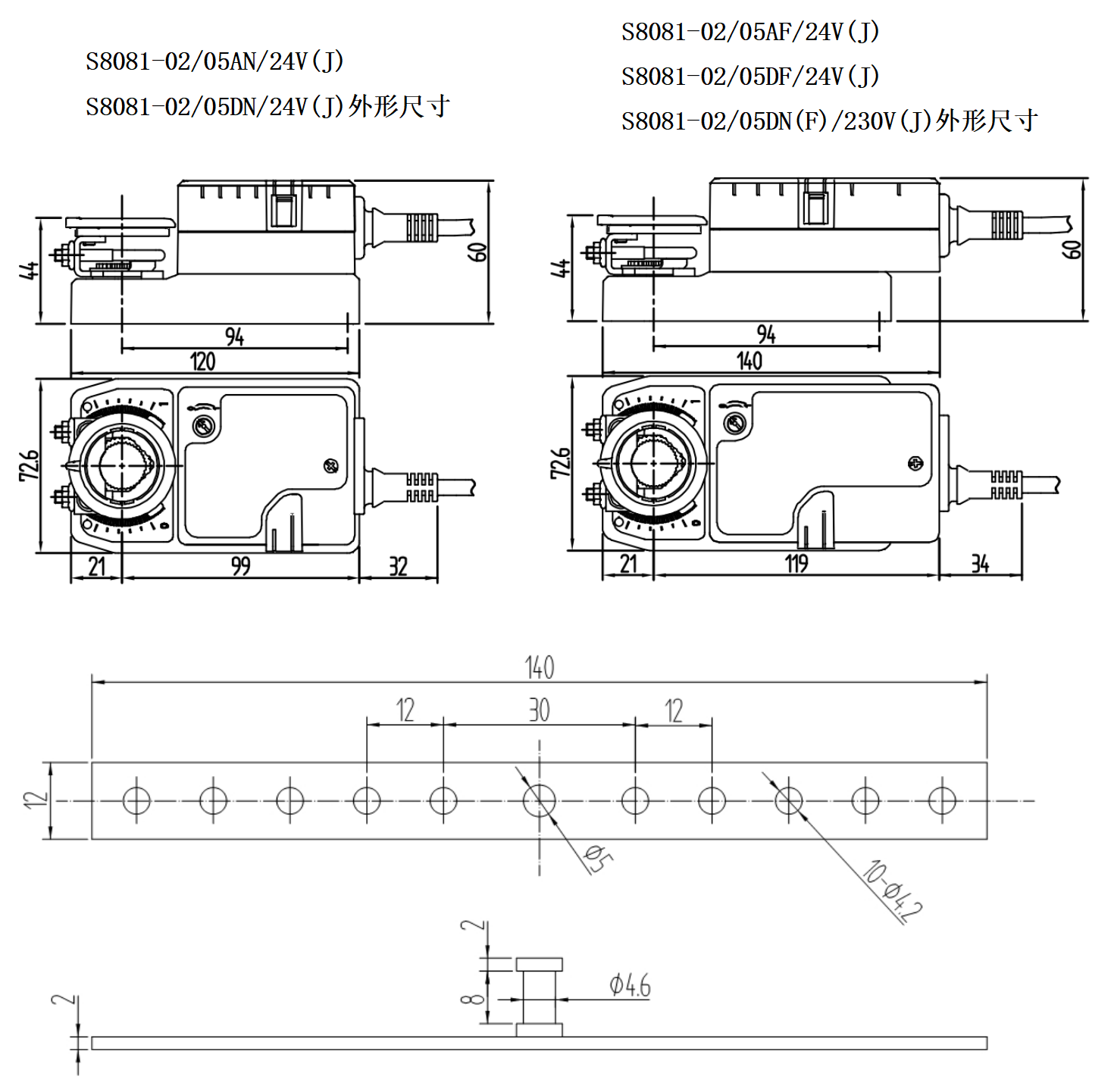
S8081-02/05外形及安装尺寸 单位(mm)

S8081-10技术参数

S8081-10规格尺寸


S8081-10外形及安装尺寸 单位(mm)

S8081系列接线说明

A型控制信号及输入阻抗选择 旋转方向的选择

辅助开关说明


• 扭矩: 2Nm、5Nm、10Nm
• 额定电压: AC/DC 24V和AC 230V
• 控制方式: 2点、3点开关型;0(2)-10V或0(4)-20mA模拟型











