特 点
• 扭矩: 5Nm
• 额定电压: AC/DC 24V和AC 230V
• 控制方式: 2点、3点开关型
订货代码

技术参数

特 点
• 扭矩: 5Nm
• 额定电压: AC/DC 24V和AC 230V
• 控制方式: 0…10V或4…20mA模拟型
订货代码

技术参数

接线说明

辅助开关说明

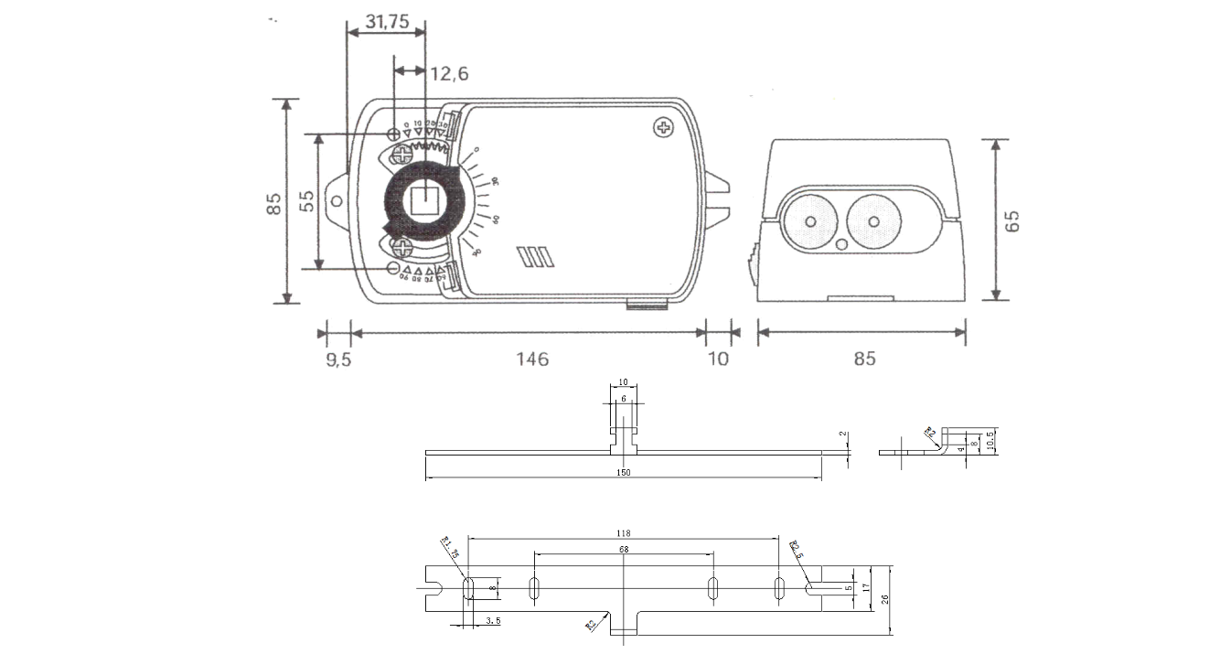
外形及安装尺寸 单位(mm)


• 扭矩: 5Nm
• 额定电压: AC/DC 24V和AC 230V
• 控制方式: 2点、3点开关型


• 扭矩: 5Nm
• 额定电压: AC/DC 24V和AC 230V
• 控制方式: 0…10V或4…20mA模拟型





